Andurite moodul v5.0

(Version 5.0)

Andurite moodulisse on kombineeritud valik andureid, madalpääsufilter ja väliste andurite ühendamise võimalus.

Andurite mooduli võimalused

  • Elektreetmikrofon
  • Valgustugevuse andur (fototakisti) VT935G (takistus 10 lux valgustugevuse puhul 18,5 kΩ) andmeleht
  • Temperatuuriandur (termistor NTC) (takistus 25 °C puhul 10 kΩ) andmeleht
  • 10 kΩ potentsiomeeter
  • Ultraheli kaugusandur Devantech SRF05 (mõõtevahemik 1-400 cm) andmeleht
  • Infrapuna kaugusandur Sharp GP2Y0A21YK0F (mõõtevahemik 10-80 cm) andmeleht

Elektrilised ühendused

Plaadil olevad andurid on ühendatud järgnevalt:

märge plaadilvälise ühenduse märgeplaadil olev andurmikrokontrolleri viik
MICCON4MikrofonPF0
LDRCON3Valgustugevuse andurPF1
NTCCON2TemperatuuriandurPF2
POTCON1PotentsiomeeterPF3

Andurid

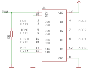
Kõik andurid on kontrolleriga ühendatud läbi multiplekseri, võimaldades töö käigus lülituda plaadil asuva ja välise anduri vahet. Vaikimisi on kõik plaadil asuvad andurid ühendatud mikrokontrolleri analoogsisenditesse (ADC0-ADC3). Multiplekserit juhitakse viigu PG0 kaudu.

Multiplekseri skeem
Andurite ühendusskeem

Madalpääsufilter

Madalpääsufiltrit on võimalik luua väliste analoogsisendite 0-3 ja kontrolleri viikude vahele (PF0-PF3). Takisti ja kondensaator ühendatakse vastavasse pesasse. Vaikimisi on madalpääsufilter ehitatud kanali 0 (PF0) jaoks. Takisti väärtuseks on 10 kΩ ja kondensaatori väärtuseks 100 nF.

Väliste andurite ühenduste ja madalpääsufiltrite skeem

Digitaalne sisend-väljund ühendus

Lisaks anduritele ja analoogsisenditele on andurite plaadil ka pistik digitaalsete sisend-väljund ühenduste loomiseks. Pistiku viigud on ühendatud otse kontrolleri viikudega PE2-PE5.

Digitaalsete andurite ühenduspistik CON_IO
et/hardware/homelab/sensor/v50.txt · Last modified: 2020/07/20 12:00 by 127.0.0.1
CC Attribution-Share Alike 4.0 International
www.chimeric.de Valid CSS Driven by DokuWiki do yourself a favour and use a real browser - get firefox!! Recent changes RSS feed Valid XHTML 1.0