This is an old revision of the document!


Kombo moodul

(Versioon 1.1)

Kombo moodul koondab endas kolm erinevat moodulit, mis teeb selle eriti sobivaks kasutamiseks robotil. Kombo mooduli funktsionaalsus ühildub Andurite mooduliga, Mootorite mooduliga ja Kommunkatsiooni mooduliga.

Kombo mooduli abil on võimalik juhtida järgmisi mootoreid:

  • 4 x alalisvoolumootor
  • 1 x samm-mootor
  • 2 x servomootor

Ühendada järgmisi andureid:

  • 4 x analoog
  • 4 x digitaal
  • 2 x kooder
  • 8x digitaal, läbi serial liidese

Kasutada järgmisi kommunikatsiooni liideseid:

  • UART (3,3 või 5 V toitel)
  • ZigBee / Bluetooth / RFID / WiFi / GPS juhtmavaba side moodul

Standardlahendusena on Kombo moodulile paigaldatud ZigBee juhtmavaba side moodul.

Elektrilised ühendused

Kombo moodul on kontrolleriga ühendatud portide PA-PB-PC-PE-PD kaudu. Alalisvoolu ja samm-mootori toited tulevad välisest toite pistikust, servo mootori toide tuleb samuti välisest toite pistikust, kuid on reguleeritud impulss-pingeregulaatori abil 5 V tasemel. Mootorite toited on eraldatud kontrolleri toitest. Kui Kombo plaadi väline toide on õigesti ühendatud, süttib plaadil olev roheline toite LED - PWR.

Alalisvoolumootorid

Alalisvoolumootorid ühendatakse DC viikude gruppi. Iga paar suudab hakkama saada ühe mootoriga - kokku 4 alalisvoolumootorit. Mootorite juhtimiseks kasutatakse bd6226fp topelt H-silda. Mootoreid on võimalik asendada ka mõne muu seadmega, mida on võimalik digitaalselt juhtida ning mille poolt tarbitav vool ei ületa 1 A ja pinge 18 V (piezo generaator, relee vms).

Alalisvoolumootorite ühenduste skeem
AVR viik Signaal AVR viik Signaal
PB4 Mootor 1 A PD6 Mootor 3 A
PB7 Mootor 1 B PD7 Mootor 3 B
PD0 Mootor 2 A PD4 Mootor 4 A
PD1 Mootor 2 B PD5 Mootor 4 B

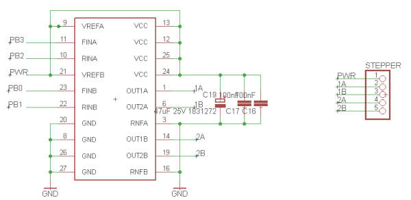
Samm-mootorid

Samm-mootori ühendamine

Servomootor

Servomootorid ühendatakse Servo viikudesse. Maa kaabel (tavaliselt must või pruun) ühendatakse GND viiguga (plaadi servale poolne viik). Korraga on võimalik kasutada kahte servomootorit. Signaali viigud on ühendatud otse mikrokontrolleri taimeri väljunditega.

Servomootori ühendamise skeem
AVR viik Signaal Pesa
PB5(OC1A) PWM1 Ülemine
PB6(OC1B) PWM2 Alumine

Andurid

Analoog-digitaal muunduriga anduri sisendid

Komboplaadile saab ühendada kuni 4 analoog-digital muundurit kasutatavat andurit. Andurite sisendid on jaotatud plokkidesse, kus igale andurile on eraldi maa, +5 V ja signaali viik. Maa on tähistatud GND.

Analoog-digitaal muunrit kasutava andurite sisendid
AVR viik Signaal Pesa
PF0(ADC0) ADC0 Ülemine
PF1(ADC1) ADC1 Alumine
PF2(ADC2) ADC2 Ülemine
PF3(ADC3) ADC3 Alumine

Digitaal sisendid

Kombo mooduliga saab ühendada kuni 4 digitaalse väljundiga andurit. Mooduli andurite sisendid on jaotatud plokkidesse, kus igale andurile on mõeldud maa, +5 V ja signaali viik, maa viik on märgitud GND.

Digitaal väljundiga andurid ühendamise skeem
AVR viik Signaal Pesa
PE2(XCK0/AIN0) PE2 Ülemine
PE3(OC3A/AIN1) PE3 Alumine
PE4(OC3B/INT4) PE4 Ülemine
PE5(OC3C/INT5) PE5 Alumine

Digitaal jada sisendid

Kombo moodulil on 8 sisendiga nihkeregister 74HC/HCT165, mis võimaldab korraga lugeda 8 digitaal sisendit ning teisendada see 8-bitiliseks digitaalarvuks. Antud sisend sobib näiteks joonejälgimise andurite ühendamiseks.

Nihkeregistri ühendamise skeem, paaritud viigud on ülemised
AVR viik Signaal
PA7(AD7) Q7
PC7(A15) CP
PA6(AD6) PL
GND CE

Kooder

Koodri ühendamise skeem
AVR viik Signaal
PE6 Kooder 1
PE7 Kooder 2

Juhtmevaba moodul

Kombo moodulile on võimalik paigaldada üks järgnevatest moodulitest:

  • ZigBee moodul
  • Bluetooth
  • GPS moodul
    • LISADA DATASHEET MODULI KOHTA
  • RFID moodul
  • Wifi moodul

Kõik loetletud moodulid suhtlevad mikrokontrolleriga üle UART liidese. Lisaks on võimalik Kombo mooduliga ühendada väline kaabliga UART seade. Välisele seadmele on võimalik valida toitepinge 3,3 V või 5 V.

Juhtmevada mooduli ühendamise skeem

ZigBee XBee moodul

Juhtmevada mooduli viik Signaal Pesa
15(ASSOC/AD5/DIO5) XADC0 XBEEADC2
17(COORD_SEL/AD3/DIO3) XADC1 XBEEADC3
18(AD2/DIO2) XADC2 XBEEADC4
19(AD1/DIO1) XADC3 XBEEADC5
20(AD0/DIO0) PWR Ühendatud roboti toitega
11(RF_TX/AD4/DIO4) DIO4 test LED (kollane)
16(RTS/AD6/DIO6) RST Reset pin kontroller moodulil

Kombo moodulile on ühendatud juhtmevaba mooduli i/o 4 viiku, millele saab lisada pingejaguri (kui tegemist on analoog sisendiga) või kasutada digitaalse sisend-väljundina, lisaks on ühe i/o viiguga ühendatud test LED.

et/hardware/homelab/combo.1330680137.txt.gz · Last modified: 2020/07/20 09:00 (external edit)
CC Attribution-Share Alike 4.0 International
www.chimeric.de Valid CSS Driven by DokuWiki do yourself a favour and use a real browser - get firefox!! Recent changes RSS feed Valid XHTML 1.0