This is an old revision of the document!


Proximity and Distance Sensors

 General audience classification icon  General audience classification icon

Infrared Sensor

An infrared (IR) proximity sensor detects objects and measures distance without physical contact. IR sensor consists of an infrared emitter, a receiving sensor or array of sensors and a signal processing logic. The output of a sensor differs depending on the type – simple proximity detection sensor outputs HIGH or LOW level when an object is in its sensing range, but sensors which can measure distance output an analogue signal or use some communication protocol, like I2C to send sensor measuring results. IR sensors are used in robotics to detect obstacles located a few millimetres to several meters from the sensor and in mobile phones to help detect accidental screen touching.\\Sample IR sensor device is present in figure 1 and its connection to the microcontroller in figure 2.

 Distance Sensor GP2Y0A21YK0F
Figure 1: Distance Sensor GP2Y0A21YK0F
 Arduino and IR proximity sensor circuit
Figure 2: Arduino and IR proximity sensor circuit

An example code:

int irPin = A0;  //Define an analogue A0 pin for IR sensor
int irReading;  //The result of an analogue reading from the IR sensor
 
void setup()
{
    //Begin serial communication
    Serial.begin(9600);  
    //Initialize the analogue pin of an IR sensor as an input
    pinMode(irPin, INPUT); 
}
 
void loop()
{
    //Read the value of the IR sensor
    irReading = analogRead(irPin); 
    //Print out the value of the IR sensor reading to the serial monitor
    Serial.println(irReading); 
    delay(10); //Short delay
}
Ultrasonic Sensor

The ultrasonic sensor measures the distance to objects by emitting a short ultrasound sound pulse and measuring its returning time. The sensor consists of an ultrasonic emitter and receiver; sometimes, they are combined into a single device for emitting and receiving. Ultrasonic sensors can measure greater distances and cost less than infrared sensors but are more imprecise and interfere with each other's measurements if more than one is used. Simple sensors have a trigger pin and an echo pin; when the trigger pin is set high for a small amount of time, ultrasound is emitted, and on the echo pin, response time is measured. Ultrasonic sensors are used in car parking sensors and robots for proximity detection. A sample ultrasonic sensor is present in figure 3 and a circuit in figure 4.
Examples of IoT applications are robotic obstacle detection and room layout scanning.

 Ultrasonic proximity sensor HC-SR04
Figure 3: Ultrasonic proximity sensor HC-SR04
 Arduino and ultrasound proximity sensor circuit
Figure 4: Arduino and ultrasound proximity sensor circuit

An example code:

int trigPin = 2;  //Define a trigger pin D2
int echoPin = 4;  //Define an echo pin D4
 
void setup()
{
    Serial.begin(9600); //Begin serial communication
    pinMode(trigPin, OUTPUT); //Set the trigPin as an Output
    pinMode(echoPin, INPUT); //Set the echoPin as an Input
}
 
void loop()
{
    digitalWrite(trigPin, LOW);  //Clear the trigPin
    delayMicroseconds(2);
 
    //Set the trigPin on HIGH state for 10 μs
    digitalWrite(trigPin, HIGH);
    delayMicroseconds(10);
    digitalWrite(trigPin, LOW);
 
    //Read the echoPin, return the sound wave travel time in microseconds
    duration = pulseIn(echoPin, HIGH); 
    //Calculating the distance 
    distance = duration*0.034/2; 
 
    //Printing the distance on the Serial Monitor
    Serial.print("Distance: ");  
    Serial.println(distance);
}
Motion Detector

The motion detector is a sensor that detects moving objects, primarily people. Motion detectors use different technologies, like passive infrared sensors, microwaves and the Doppler effect, video cameras, and ultrasonic and IR sensors. Passive IR (PIR) sensors are the simplest motion detectors that sense people by detecting changes in IR radiation emitted through the skin. When the motion is detected, the output of a motion sensor is a digital HIGH/LOW signal.
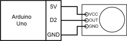
Motion sensors are used in security alarm systems, automated lights and door control. As an example in IoT, the PIR motion sensor can detect motion in security systems in a house or any building.\\Sample PIR sensor is present in 5 and connection schematic in figure 6.

 PIR motion sensor
Figure 5: PIR motion sensor
 Arduino and PIR motion sensor circuit
Figure 6: Arduino and PIR motion sensor circuit

An example code:

//Passive Infrared (PIR) sensor output is connected to the digital 2 pin
int pirPin = 2; 
//The digital reading from the PIR output
int pirReading;      
 
void setup(void) {
  //Begin serial communication
  Serial.begin(9600);   
  //Initialize the PIR digital pin as an input
  pinMode(pirPin, INPUT); 
}
 
void loop(void) {
  //Read the digital value of the PIR motion sensor
  pirReading = digitalRead(pirPin); 
  //Print out
  Serial.print("Digital reading = "); 
  Serial.println(pirReading);
 
  if(pirReading == HIGH) {  //Motion was detected
    Serial.println("Motion Detected");
  }
 
  delay(10);
}
Fluid Level Sensor

A level sensor detects the level of fluid or fluidised solid. Level sensors can be divided into two groups:

  • continuous level sensors that can detect the exact position of the fluid. Proximity sensors, like ultrasonic or infrared, are usually used for level detection. Capacitive sensors can also be used by recording the changing capacitance value depending on the fluid level. The output can be either analogue or digital value;
  • point-level sensors can detect whether a fluid is above or below the sensor. A membrane with air pressure or changes in conductivity or capacitance can be used for level detection as a floating or mechanical switch. The output is usually a digital value that indicates HIGH or LOW value.

Fluid level sensors can be used for smart waste management, measuring tank levels, diesel fuel gauging, liquid assets inventory, chemical manufacturing, high or low-level alarms, and irrigation control.
Sample level sensor is present in figure 7 and connection schematic in figure 8.

 Liquid level sensor
Figure 7: Liquid level sensor
 Arduino Uno and liquid level sensor schematics
Figure 8: Arduino Uno and liquid level sensor schematics

An example code:

int levelPin = 6; //Liquid level sensor output is connected to the digital 6 pin
int levelReading; //Stores level sensor detection reading
 
void setup(void) {
  Serial.begin(9600);   //Begin serial communication
  pinMode(levelPin, INPUT); //Initialize the level sensor pin as an input
}
 
void loop(void) {
  levelReading = digitalRead(levelPin); //Read the digital value of the level sensor
  Serial.print("Level sensor value: "); //Print out
  Serial.println(levelReading);
  delay(10); //Short delay
}
en/iot-open/hardware2/sensors_distance.1716811311.txt.gz · Last modified: 2024/05/27 12:01 by ktokarz
CC Attribution-Share Alike 4.0 International
www.chimeric.de Valid CSS Driven by DokuWiki do yourself a favour and use a real browser - get firefox!! Recent changes RSS feed Valid XHTML 1.0