en:multiasm:piot:adr07.png

adr07.png

adr07.png

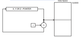
Addressing Modes

Date::
2025/05/31 07:16
Filename::
adr07.png
Format::
PNG
Size::
7KB
Width::
331
Height::
152